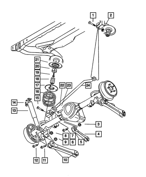
Rear Suspension for 2004 Jeep Wrangler

Vehicle

2004 Jeep Wrangler

Change Vehicle

Categories

Browse Categories
Rear Suspension for 2004 Jeep Wrangler #0
No.
Part # / Description / Price
Price
N/A
Push Pin, Right
Fiat Fiat
Description: M6.3X23.00. Wheelhouse Carpet Attach - 5 Per Side
MSRP $7.95
$5.70
MSRP $7.95
$5.70
N/A
Hex Flange Locking Nut And Retainer, Mounting
Mopar Mopar
Description: M10 x 1.50. Sway Bar Link to Frame
1
Hex Flange Head Bolt, Mounting
Mopar Mopar
Description: M12x1.75x80.00. Shock to Frame
2
Hex Flange Lock Nut, Mounting
Mopar Mopar
Description: M12x1.75. Engine Mount To Engine Mount Bracket
MSRP $3.55
$2.42
MSRP $3.55
$2.42
3
Hex Flange Lock Nut, Mounting
Mopar Mopar
Description: M14x1.50. Outer Cover To Inner Cover
MSRP $9.60
$6.61
MSRP $9.60
$6.61
4
Control Arm, Right & Left, Upper
Mopar Mopar
Description: Upper.
MSRP $238.00
$162.40
MSRP $238.00
$162.40
6
Control Arm, Right & Left, Lower
Mopar Mopar
Description: Rear
MSRP $168.00
$115.42
MSRP $168.00
$115.42
7
Hex Flange Head Bolt, Mounting
Mopar Mopar
Description: M10x1.50x78.20. UCA to Frame or Axle
9
Hex Flange Lock Nut, Mounting
Fiat Fiat
Description: M14x2.00. Differential Cover to Frame
MSRP $11.95
$8.46
MSRP $11.95
$8.46
11
Hex Flange Head Bolt, Mounting
Mopar Mopar
Description: M14x2.00x105.00. Rear Lower Control Arm to Axle
12
Hex Flange Head Bolt
Mopar Mopar
Description: M12x1.75x65. Steering Damper to Axle
14
Hex Head Screw, Upper
Mopar Mopar
Description: M8x1.25x30. Shock Mounting
MSRP $9.60
$6.79
MSRP $9.60
$6.79
15
Truss Head Screw, Mounting
Mopar Mopar
Description: M12x1.75x80. Track Bar to Axle
16
Rear Coil Spring
Mopar Mopar
Description: [ZAU,ZNU]
16
Rear Coil Spring
Mopar Mopar
Description: [ZAV,ZNV]
17
Spring Isolator, Upper
Mopar Mopar
Description: Coil Spring Rear
18
Jounce Bumper
Mopar Mopar
Description: Urethane-From 09-17-03
MSRP $43.90
$30.86
MSRP $43.90
$30.86
19
Hex Head Bolt, Mounting
Mopar Mopar
Description: M10x1.50x35.00. Axle Support Bracket to Axle Housing
22
Hex Flange Lock Nut And Retainer, Mounting
Mopar Mopar
Description: M8x1.25. Sway Bar Link to LCA
2 This part contains hazardous materials. Extra shipping costs apply.