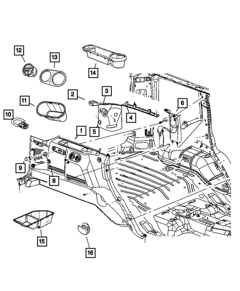
Panels-Moldings-Scuff Plates, Pillar, Cowl, 1/4 Panel Trim and Cargo Covers for 2008 Jeep Commander
No.
Part # / Description / Price
Price
9
MSRP $36.05
$25.31
No.
Part # / Description / Price
Price
No.
Part # / Description / Price
Price
2
Hex Flange Head Screw, Mounting, Upper
Mopar
Mopar Description: M6x1.00x50.00. Heat Shield To Lower
MSRP $8.60
$6.08
MSRP $8.60
$6.08



Fiat